2026-01-12 823

每日暗网情报

热点事件分析
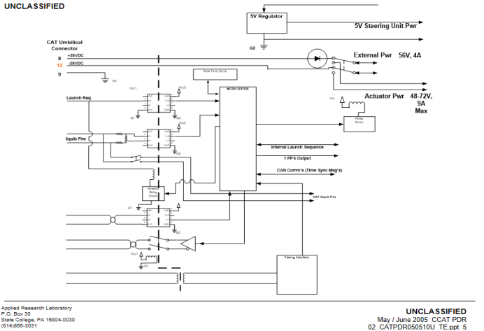
【绝密】美国国防部CAT鱼雷手册泄露

一位威胁行为者称他正在售卖一份美国国防部CAT鱼雷手册数据,卖家称该数据包含两个PPT文件和一个草稿文件,CAT是美国海军开发的一种硬杀伤(hard-kill)反鱼雷系统,主要部署在航母(如Nimitz级)上,用于保护舰艇免受潜艇鱼雷攻击。

具体泄露内容如下:

部分泄露数据样例

1.1.样本数据

1.2.样本数据

1.3.样本数据

1.4.样本数据

查看详情

热点事件

本章仅随机选取全球 5 个数据泄露事件。以下为监测到的情报数据,0.zone系统不做真实性判断与检测。
【黑客组织】美国能源公司McCraw Oil遭黑客组织akira攻击
售卖人: akira
国家: 美国
样例数据: 少量样例
数据量: 未知
黑客组织宣称已窃取McCraw Oil公司数据,并计划公开40GB的公司内部文件。涉及的数据包括员工文档、大量项目文件、技术规格与图纸、保密协议、客户信息以及合同等。 (黑客组织akira宣称他们正在售卖一份美国能源公司McCraw Oil数据。)
尼日利亚教师注册委员会Teachers Registration Council of Nigeria 数据泄露13000条
售卖人: notangel
国家: 尼日利亚
样例数据: 少量样例
数据量: 13000
尼日利亚教师注册委员会数据库遭泄露并免费提供下载。泄露数据包含教师姓名、电话号码、注册编号及所属州份等个人信息。 (售卖者称他正在售卖一份尼日利亚教师注册委员会Teachers Registration Council of Nigeria 数据,数据字段:ID,姓名,地址等。)
中国四达时代通讯网络技术有限公司数据泄露1673941条
售卖人: CHONG
国家: 中国
样例数据: 少量样例
数据量: 1048004
售卖者称他正在售卖一份中国四达时代通讯网络技术有限公司数据,数据字段:姓名,电话,地址等。
印度理工学院IITBHU数据泄露90000条
售卖人: lulzintel
国家: 印度
样例数据: 少量样例
数据量: 90000
黑客在BreachForums论坛上公开分享了印度理工学院(BHU)瓦拉纳西分校的数据库。泄露的数据包含超过9万条用户记录,涉及学生个人信息,如姓名、出生日期、学号、课程、院系、手机号码、国籍、电子邮件地址、登录ID以及明文密码等敏感字段。 (售卖者称他正在售卖一份印度理工学院IITBHU数据,数据字段:姓名,电子邮件,密码等。)
法国医疗科技公司Cegedim Santé数据泄露27000000条
售卖人: czx
国家: 法国
样例数据: 少量样例
数据量: 27000000
黑客在BreachForums论坛上发布并提供了据称是Cegedim Sante公司(网址cegedim-sante.com)的数据下载链接。帖子中声称完整的数据集包含2700万条记录,并提供了一个样本数据的查看链接。 (售卖者称他正在售卖一份法国医疗科技公司Cegedim Santé数据,数据字段:姓名,电话,地址等。)
本暗网情报,由零零信安0.zone暴露面管理平台采集和提供。针对明网、深网、暗网,集外部暴露面检测、泛数字资产暴露面检测、暗网情报监控为一体的大数据智能分析平台。
点击生成图片