2025-11-28 793

每日暗网情报

热点事件分析
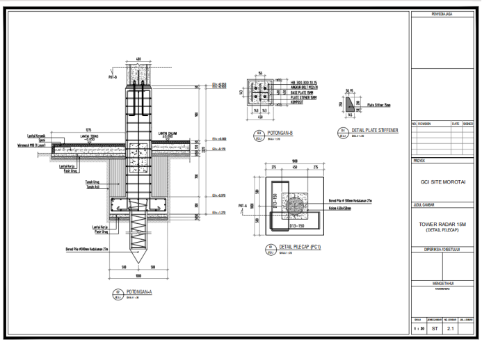
印度尼西亚国防制造商PT LEN国防工业雷达技术+部署蓝图泄露在暗网中

一位威胁行为者称他正在售卖一份印度尼西亚国防制造商PT LEN国防工业雷达技术+部署蓝图数据,涉及 Takalar 站点 13 台 GCI 雷达及配套设施的 3 号环网电力分布规划,含输电线路走向、控制箱等图例,明确了各相关负责人及图纸编号、比例等信息。聚焦 Morotai 站点 15 米雷达塔的施工设计,涵盖桩帽、立柱、楼板、楼梯、地基等结构详图,包含尺寸参数、钢材型号、节点连接等技术细节。

具体泄漏内容如下:

部分泄露数据样例

1.1.样本数据

1.2.样本数据

1.3.样本数据

1.4.样本数据

查看详情

热点事件

本章仅随机选取全球 5 个数据泄露事件。以下为监测到的情报数据,0.zone系统不做真实性判断与检测。
中国卓嗨网数据泄露1200000条
售卖人: BreachLaboratory
国家: 中国
样例数据: 少量样例
数据量: 1200000
售卖者称他正在售卖一份中国卓嗨网数据,数据字段:公司名称,联系人,地址等。
美国金融投资机构BERKSHIRE HATHAWAY INC数据泄露6080000条
售卖人: BreachLaboratory
国家: 美国
样例数据: 少量样例
数据量: 6080000
售卖者称他正在售卖一份美国金融投资机构BERKSHIRE HATHAWAY INC数据,数据字段:电话,出生日期,地址等。
法国物流公司 Fr Express数据泄露
售卖人: KaruHunters
国家: 法国
样例数据: 少量样例
数据量: 未知
售卖者称他正在售卖一份法国物流公司 Fr Express数据,数据字段:姓名,电话,地址等。
印度电信公司Aircel Telecom数据泄露70000000条
售卖人: BreachLaboratory
国家: 印度
样例数据: 少量样例
数据量: 70000000
售卖者称他正在售卖一份印度电信公司Aircel Telecom数据,数据字段:姓名,性别,电话等。
【黑客组织】英国金融公司Creditinfo遭黑客组织payoutsking攻击
售卖人: payoutsking
国家: 英国
样例数据: 少量样例
数据量: 未知
黑客组织payoutsking宣称他们正在售卖一份英国金融公司Creditinfo数据。
本暗网情报,由零零信安0.zone暴露面管理平台采集和提供。针对明网、深网、暗网,集外部暴露面检测、泛数字资产暴露面检测、暗网情报监控为一体的大数据智能分析平台。
点击生成图片