2026-01-06 819

每日暗网情报

热点事件分析
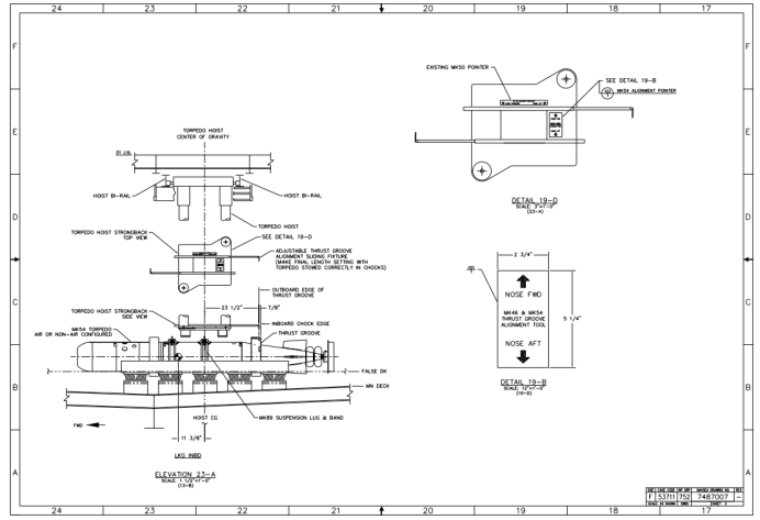
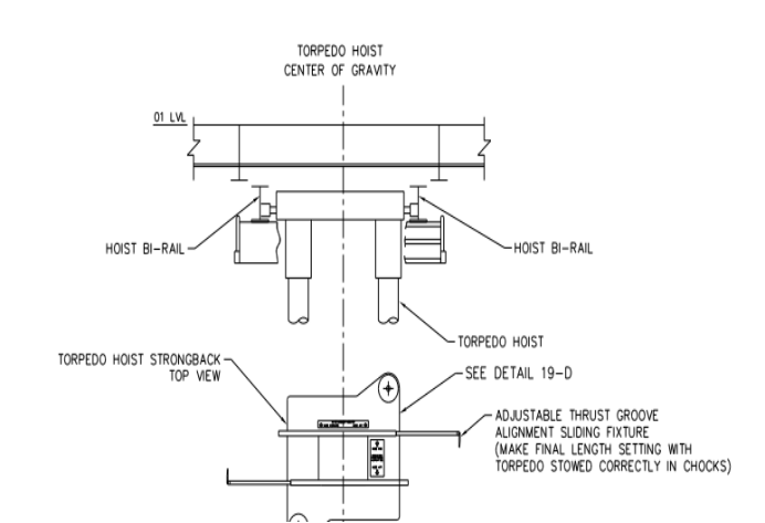
【绝密】世界上战斗力最强的驱逐舰--阿利·伯克级驱逐舰DDG52-78鱼雷蓝图泄露

一位威胁行为者称他正在售卖一份美国海军绝密阿利·伯克级驱逐舰DDG52-78鱼雷蓝图,该驱逐舰号称是“世界上战斗力最强的驱逐舰”。该级舰配备宙斯盾系统和AN/SPY-1相控阵雷达,能够同时处理大量目标数据,迅速对来袭目标进行威胁判定和持续跟踪,具备较强空域管制能力

具体泄露内容如下:

部分泄露数据样例

1.1.样本数据

1.2.样本数据

1.3.样本数据

1.4.样本数据

查看详情

热点事件

本章仅随机选取全球 5 个数据泄露事件。以下为监测到的情报数据,0.zone系统不做真实性判断与检测。
印度尼西亚共和国能源与矿产资源部Ministry of Energy and Mineral Resources of the Republic of Indonesia数据泄露9.2 GB
售卖人: petrusnism
国家: 印尼
样例数据: 少量样例
数据量: 未知
售卖者称他正在售卖一份印度尼西亚共和国能源与矿产资源部Ministry of Energy and Mineral Resources of the Republic of Indonesia数据,数据字段:ID,姓名,电话等。
【黑客组织】美国建筑用品回收商Black Dog Salvage specializes遭黑客组织Lynx攻击
售卖人: Lynx
国家: 美国
样例数据: 少量样例
数据量: 未知
黑客组织Lynx宣称他们正在售卖一份美国建筑用品回收商Black Dog Salvage specializes数据。
俄罗斯联邦公共采购统一信息门户Zakupki.ru数据泄露
售卖人: lulzintel
国家: 俄罗斯
样例数据: 少量样例
数据量: 300000
售卖者称他正在售卖一份俄罗斯联邦公共采购统一信息门户Zakupki.ru数据,数据字段:ID,姓名,地址等。
中国公民数据泄露50000000条
售卖人: jrintel
国家: 中国
样例数据: 少量样例
数据量: 50000000
售卖者称他正在售卖一份中国公民数据,数据字段:姓名,电话,地址等。
以色列部队数据泄露
售卖人: jrintel
国家: 以色列
样例数据: 少量样例
数据量: 未知
售卖者称他正在售卖一份以色列部队数据,数据字段:姓名,邮箱,地址等。
本暗网情报,由零零信安0.zone暴露面管理平台采集和提供。针对明网、深网、暗网,集外部暴露面检测、泛数字资产暴露面检测、暗网情报监控为一体的大数据智能分析平台。
点击生成图片