2025-11-26 791

每日暗网情报

热点事件分析
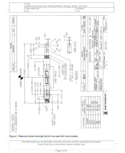
美国军事承包商SPACEX火箭文件泄露在暗网中

一位威胁行为者称他正在售卖一份美国军事承包商SPACEX火箭文件数据,泄露的样例均围绕 SpaceX Starship(星舰)的相关技术测试与设计参数展开,核心聚焦星舰的气动稳定性测试任务及关键物理属性。

具体泄漏内容如下:

部分泄露数据样例

1.1.样本数据

1.2.样本数据

1.3.样本数据

1.4.样本数据

查看详情

热点事件

本章仅随机选取全球 5 个数据泄露事件。以下为监测到的情报数据,0.zone系统不做真实性判断与检测。
德国服装售卖商Passioni数据泄露
售卖人: RainbowDF
国家: 德国
样例数据: 少量样例
数据量: 未知
售卖者称他正在售卖一份德国服装售卖商Passioni数据,数据字段:ID,姓名,邮箱等。
墨西哥保险公司Pro Agro Seguros数据泄露
售卖人: odessa
国家: 墨西哥
样例数据: 少量样例
数据量: 未知
售卖者称他正在售卖一份墨西哥保险公司Pro Agro Seguros数据。
墨西哥行政担保机构Fianzas Avanza数据泄露90000条
售卖人: Brazzers
国家: 墨西哥
样例数据: 少量样例
数据量: 90000
售卖者称他正在售卖一份墨西哥行政担保机构Fianzas Avanza数据,数据字段:姓名,电话,地址等。
【黑客组织】美国建筑制造商CR architecture + design遭黑客组织payoutsking攻击
售卖人: payoutsking
国家: 美国
样例数据: 少量样例
数据量: 未知
黑客组织payoutsking宣称他们正在售卖一份美国建筑制造商CR architecture + design数据。
ezshop海外官方旗舰店数据泄露
售卖人: N****N
国家: 中国
样例数据: 少量样例
数据量: 5000
售卖者称他正在售卖一份ezshop海外官方旗舰店数据,数据字段:姓名,电话,地址等。
本暗网情报,由零零信安0.zone暴露面管理平台采集和提供。针对明网、深网、暗网,集外部暴露面检测、泛数字资产暴露面检测、暗网情报监控为一体的大数据智能分析平台。
点击生成图片