2025-11月数据泄露周期报告

1.数据泄露事件趋势

2.本月活跃度最高的10个勒索组织

2025-11-01 到 2025-11-30全球活跃的商业黑客组织(有勒索发布行为)共44个,公开的勒索事件共 671 件,TOP 10的黑客组织如下所示:

LOGO组织名发布事件数量
Qilin111
dragonforce104
AKIRA87
The Gentlemen53
INC Ransom51
payoutsking34
PLAY NEWS26
safepay20
sinobi17
worldleaks13

3.数据泄露事件国家分布

4.数据泄露最多的10个国家

本次监测到数据泄露事件经过算法自动归类或人工审核的方式判定涉及到的行业TOP10如下表所示:

国家涉及事件数量
中国1392
美国1318
印度470
法国204
泰国188
印尼164
马来西亚156
英国155
西班牙142
越南111
其他1569

5.被勒索最多的10个行业

本次监测到数据泄露事件经过算法自动归类或人工审核的方式判定涉及到的行业TOP10如下表所示:

6.典型勒索事件

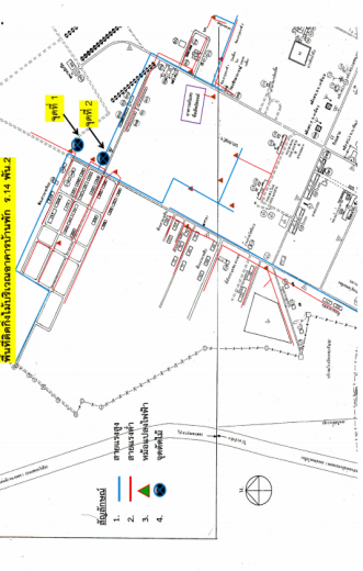
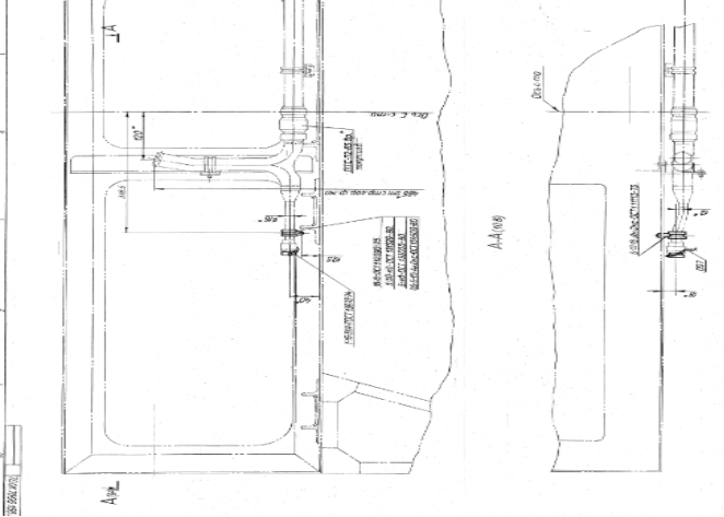
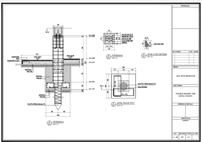
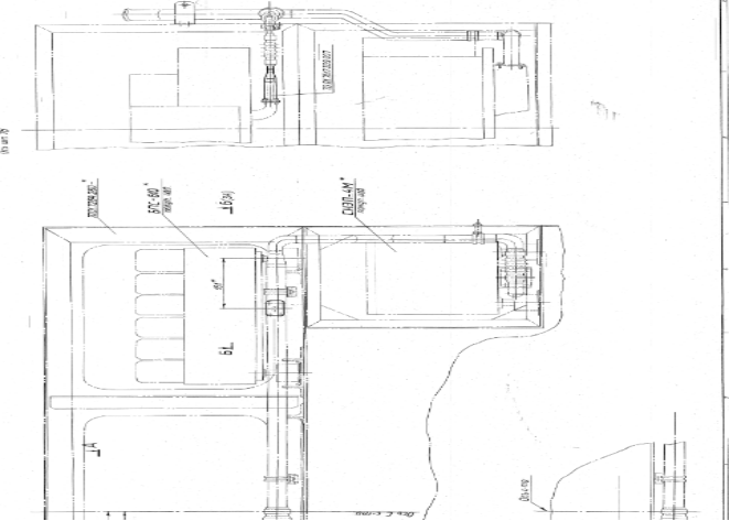
6.1印度尼西亚国防制造商PT LEN国防工业雷达技术+部署蓝图泄露在暗网中

一位威胁行为者称他正在售卖一份印度尼西亚国防制造商PT LEN国防工业雷达技术+部署蓝图数据,涉及 Takalar 站点 13 台 GCI 雷达及配套设施的 3 号环网电力分布规划,含输电线路走向、控制箱等图例,明确了各相关负责人及图纸编号、比例等信息。聚焦 Morotai 站点 15 米雷达塔的施工设计,涵盖桩帽、立柱、楼板、楼梯、地基等结构详图,包含尺寸参数、钢材型号、节点连接等技术细节。

具体泄漏内容如下:

部分泄露数据样例

1.1.样本数据

1.2.样本数据

1.3.样本数据

1.4.样本数据

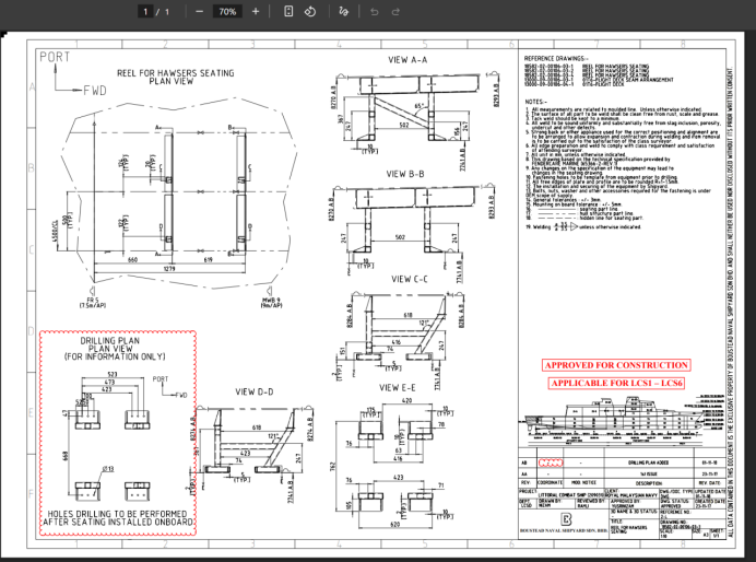
6.2马来西亚皇家海军近岸战斗舰文件在暗网泄露

一位威胁行为者称他正在售卖一份马来西亚皇家海军近岸战斗舰数据,以法国DCNS造船厂追风级护卫舰为设计基础,由法国DCNS与马来西亚莫实得重工/卢穆特海军造船厂联合研制。

具体泄漏内容如下:

部分泄露数据样例

1.1.样本数据

1.2.样本数据

1.3.样本数据

1.4.样本数据

6.3美国军事承包商SPACEX火箭文件泄露在暗网中

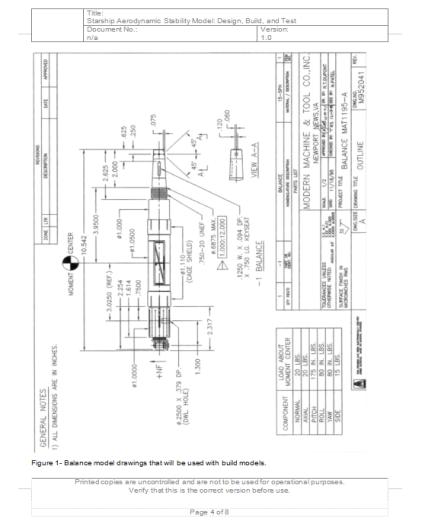
一位威胁行为者称他正在售卖一份美国军事承包商SPACEX火箭文件数据,泄露的样例均围绕 SpaceX Starship(星舰)的相关技术测试与设计参数展开,核心聚焦星舰的气动稳定性测试任务及关键物理属性。

具体泄漏内容如下:

部分泄露数据样例

1.1.样本数据

1.2.样本数据

1.3.样本数据

1.4.样本数据

6.4美国海军绝密阿利·伯克级驱逐舰蓝图在暗网出现

一位威胁行为者称他正在售卖一份美国海军绝密阿利·伯克级驱逐舰蓝图数据,阿利·伯克级驱逐舰 ,简称为伯克级,是美国海军装备的一型配备了“宙斯盾”作战系统和AN/SPY-1 3D相控阵雷达的驱逐舰,主要任务要求为协同航母战斗群的防空作战。

具体泄漏内容如下:

部分泄露数据样例

1.1.样本数据

1.2.样本数据

1.3.样本数据

1.4.样本数据

6.5暗网帖文指控日本首相高市早苗受贿

近日一个名为Samurai的暗网用户声称泄露了一封电子邮件,指控日本首相高市早苗接受外国人的贿赂,该用户提供了下载链接,下载显示为一份名为X-ファイル 日本政府要人 共産圏不祥事 報告書(機密)的文档,该文档声称高市早苗长期从弯弯驻日经济文化代表处代表处接收高价值珠宝、饰品和礼物,涉嫌不正当行为。该文档截图如下:

该文档列出了15名日本政府官员的名单,其中14位打码,仅显示第3位为高市早苗,并详细描述了其具体身份和涉嫌不正当的行为。文档指控她在担任议员期间,长期从弯弯接收贿赂。这份文档在整体结构上,包含了封面、官员名单、个人档案、电子邮件截图以及附件照片等内容。文档内不少敏感信息被黑条遮盖,通篇采用日文撰写,且未设置任何水印,也没有相关人员的签名,其真实性难以确认。从整体内容来看,这份被泄露的文件,可能是试图借助具体时间点、涉及人物以及礼品种类,再结合内部邮件记录等信息,将所涉行为定性为与政治活动相关联的隐性利益往来。

部分泄露数据样例

1.1.样本数据

1.2.样本数据

1.3.样本数据

1.4.样本数据

6.6英国军情五处限制文件—监视指南文件在暗网泄露

一位威胁行为者称他正在售卖一份英国军情五处限制文件,核心围绕新加坡公共交通系统介绍、伦敦交通相关信息,还穿插了恐怖主义、基础设施安全相关议题,整体信息碎片化但聚焦交通与安全两大核心。

具体泄漏内容如下:

部分泄露数据样例

1.1.样本数据

1.2.样本数据

1.3.样本数据

1.4.样本数据

6.7泰国军事文件在暗网出现

一位威胁行为者称他正在售卖一份泰国绝密军事文件,包含车辆过户协议、出生证明、地图等信息,包含医护人员、相关负责人的签名,还有机构印章,用于证明文件的合法性与真实性。

具体泄漏内容如下:

部分泄露数据样例

1.1.样本数据

1.2.样本数据

1.3.样本数据

1.4.样本数据

6.8关于高能激光吊舱(HEL POD)、响尾蛇空空导弹(GL-AIM-9X)的绝密雷神文件在暗网泄露

一位威胁行为者称他正在售卖一份雷神公司涉及高能激光吊舱(HEL POD)概念、AIM-9X 响尾蛇空空导弹(GL-AIM-9X)及车辆防护技术的文件,包含集成设计与性能规划等。

具体泄漏内容如下:

部分泄露数据样例

1.1.样本数据

1.2.样本数据

1.3.样本数据

1.4.样本数据

6.9俄罗斯Su57战斗机文件在暗网泄露

一位威胁行为者称他正在售卖一份俄罗斯Su57战斗机文件,卖家声称该文件250美元,Su57是俄罗斯空军单座双发隐形多功能重型战斗机,是俄罗斯第五代战斗机,是俄罗斯空天军装备的第一款隐身战机。

具体泄漏内容如下:

部分泄露数据样例

1.1.样本数据

1.2.样本数据

1.3.样本数据

1.4.样本数据

6.10俄罗斯TU-160 超音速核/重型战略轰炸机蓝图在暗网泄露

一位威胁行为者称他正在售卖一份罗斯TU-160 超音速核/重型战略轰炸机蓝图,TU-160 是俄罗斯一型超音速变后掠翼远程战略轰炸机。TU-160 轰炸机作战方式以高空亚音速巡航、低空亚音速或高空超音速突袭为主,在高空时可发射长程巡航导弹在敌人防空网外进行攻击;担任防空压制任务时,可以发射短距离导弹。此外还可以低空突袭,用核弹头的炸弹或是发射导弹攻击重要目标。

具体泄漏内容如下:

部分泄露数据样例

1.1.样本数据

1.2.样本数据

1.3.样本数据

1.4.样本数据